October 2008 Pictures





























Battery Box



Lightening holes









Doubler for relays



Master and Starter relays












Had to make spacers for the two lower center engine mount holes. I cut them out of my instrument panel cutouts.



Here they are installed



Brake caliper mounts on main gears









This is a small wedge I made out of plastic. Many people install them and it helps guide the canopy nicely when it closes.



Drilled hole (pain in the butt) for heater box



Heater box















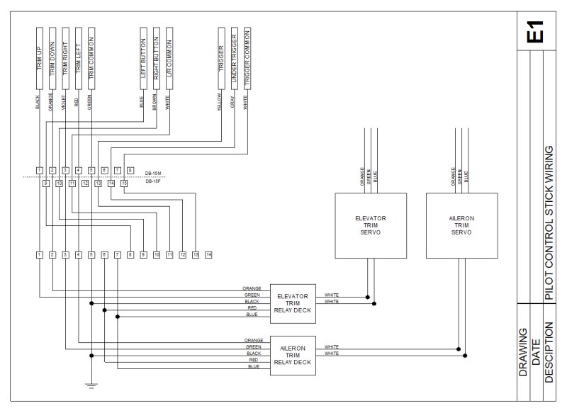
Had to make a bracket to hold these relay decks. The trim buttons on the pilot's control stick control these relays, which in turn activate trim servos.















Been kicking around how I want to document all my wiring and decided to use Microsoft Visio. It's a slimmed down version of CAD that's pretty easy to use. Here is my first drawing documenting what I've done so far. Quite a few wires just for the pilot's joystick.





Back